|
<< Click to Display Table of Contents >> Navigation: Приложения > Библиотека OSCAT > OSCAT.Функциональные блоки > OSCAT.ФБ.Модули регулирования > CTRL_PID_M (OSCAT) |
CTRL_PID_M – это пропорционально-интегрально-дифференциальный регулятор (ПИД-регулятор) с вычислением девиации процесса и ограничением выходного сигнала, а также возможностью ручного управления.
Функциональный блок CTRL_PID_M создан на основе блока CTRL_PID (OSCAT), который модифицирован для обеспечения безударного переключения из режима ручного управления в автоматический.
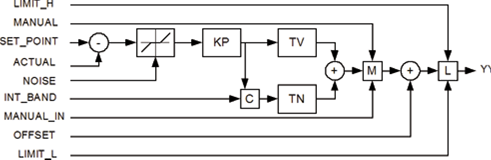
Вид ФБ в редакторе программ языка FBD:

Входы и выходы ФБ:
Название |
Тип |
Описание |
Входы |
||
ACT |
REAL |
Вход (текущее значение процесса). |
SET |
REAL |
Уставка процесса. |
SUP |
REAL |
Порог. |
OFS |
REAL |
Смещение выхода Y. |
M_I |
REAL |
Значение для ручного режима. |
MAN |
BOOL |
Переключатель ручного режима. |
RST |
BOOL |
Сброс значения интеграла. Для сброса значения интеграла нужно подать импульс на вход RST. |
KP |
REAL |
Коэффициент усиления ФБ. По умолчанию вход KP=0,1. |
TN |
REAL |
Этот параметр должен быть отличен от 0. Величина 1/TN передается в используемый ПИД-регулятор FT_PIDWL (OSCAT) для формирования в нем коэффициента интегральной части. По умолчанию вход TN=1. Если TN=0, интегрирование приостанавливается (значение интеграла сохраняется). Так же при TN=0 значение интеграла сбросится в момент переключения регулятора из режима ручного управления в автоматический. По умолчанию вход TN=100. |
TV |
REAL |
Этот параметр передается в используемый ПИД-регулятор FT_PIDWL (OSCAT) для формирования в нем коэффициента дифференциальной части. По умолчанию TV=0. |
LL |
REAL |
Нижняя граница выхода Y. По умолчанию вход LL=0. |
LH |
REAL |
Верхняя граница выхода Y. По умолчанию вход LH=100. |
Выходы |
||
Y |
REAL |
Выход. Значение выхода Y всегда ограничивается значениями LL и LH: LL<=Y<=LH. |
DIFF |
REAL |
Девиация процесса. Если (SET-ACT)<-SUP, DIFF:=SET-ACT+SUP; если (SET-ACT)>SUP, DIFF:=SET-ACT-SUP; если -SUP<=(SET-ACT)<=SUP, DIFF:=0. |
LIM |
BOOL |
Этот выход принимает значение TRUE, если выходной сигнал достигает предела. |
Безударное переключение обеспечивается применением статической балансировки по выходу – при переключении из режима ручного управления в автоматический дифференциальная составляющая обнуляется, а в интегральную составляющую записывается текущее на момент переключения значение входа M_I за вычетом рассогласования DIFF, умноженного на коэффициент пропорциональности KP. Таким образом, в момент переключения выход регулятора не изменит своего значения, а дальше будет изменяться в соответствии с ПИД законом регулирования. Эта балансировка осуществляется только при использовании интегральной составляющей регулятора (TN не должно быть равно нулю). При использовании П или ПД закона регулирования (TN = 0) интегральная составляющая на момент переключения в автоматический режим обнуляется. В этом случае статическое равновесие системы обеспечивается установкой требуемого смещения на входе OFS.
Математически ФБ работает по следующей формуле:

Для вычисления девиации процесса ФБ CTRL_PID_M использует функцию CTRL_IN (OSCAT), где
DIFF:= CTRL_IN(SET, ACT, SUP)
ПИД закон регулирования реализован на основе кода ФБ FT_PIDWL (OSCAT) с динамической защитой от интегрального насыщения.
В ручном режиме (MAN=TRUE) значение Y продолжает вычисляться по приведённой выше формуле, но заменяется на Y:= M_I + OFS.
Для безударного переключения из автоматического режима управления в ручной, на момент переключения значение на входе M_I должно быть равно значению выхода регулятора Y за вычетом значения на входе OFS. Это должно быть обеспечено внешними по отношению к функциональному блоку CTRL_PID_M средствами.
Блок-схема ФБ CTRL_PID_M:

Смотрите также видео, необходимо подключение к интернету:
Описание примера работы ФБ CTRL_PID_M