|
<< Click to Display Table of Contents >> Navigation: Приложения > Библиотека OSCAT > OSCAT.Функции > OSCAT.Функции.Управление устройствами > MANUAL (OSCAT) |
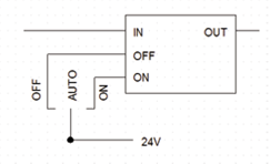
Вид функции в редакторе программ языка FBD:

Входы и выходы функции:
Название |
Тип |
Входы |
|
IN |
BOOL |
ON |
BOOL |
OFF |
BOOL |
Выходы |
|
Q |
BOOL |
MANUAL может заменить значение цифрового входа IN на TRUE или FALSE:
• если ON=FALSE и OFF=FALSE, Q:=IN;
• если OFF=TRUE, Q:=FALSE;
• если OFF=FALSE и ON=TRUE, Q:=TRUE.
Типичное использование функции MANUAL – трехпозиционный переключатель OFF/AUTO/ON, где AUTO соответствует ON=FALSE и OFF=FALSE:
